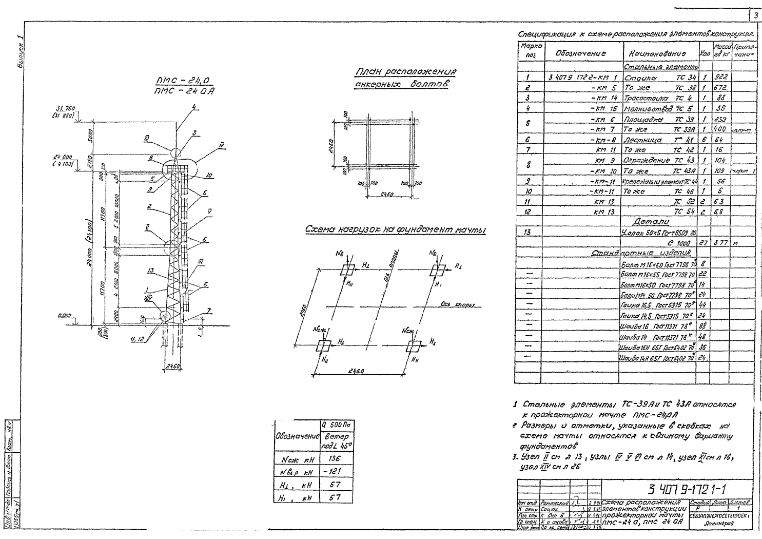
Молниеотвод железобетонный МЖ-30.6
Марка молниеотвода: МЖ-30.6
Общая высота, м: 30.55
Марка железобетонной стойки: СК26.3-2.0
Масса железобетона, т: 6.30
Масса металлических конструкций, т: 0.210
Техническая документация: серия 3.407.9-172 выпуск 1 (инв. №13255тм-Т1), чертёж 3.407.9-172.1-12
Подробнее
Молниеотвод железобетонный МЖ-30.6, изготавливается по серии 3.407.9-172 выпуск 1 (инв. №13255тм-Т1).
